Концевые выключатели серии КУ-700 предназначены для коммутации цепей управления механизмов и применяются в качестве путевых. Выключатели КУ имеют две независимые электрические цепи и могут работать как на переменном, так и на постоянном токе в повторно-кратковременном режиме.
Основные характеристики
|
Выключатель
|
Аналог
|
Число рабочих положений
|
Тип привода
|
Фиксация
|
|---|---|---|---|---|
|
КУ-701
|
ПП-741
|
3
|
Рычаг с роликом
|
Самовозврат рычага
|
|
КУ-703
|
ПП-743
|
2
|
Груз с противовесом
|
Фиксация в крайних положениях
|
|
КУ-704
|
ПП-744
|
3
|
Рычаг пластичный W-образный
|
Фиксация в каждом положении
|
Технические характеристики
|
Наименование параметра
|
КУ-701
|
КУ-703
|
КУ-704
|
|
Число рабочих положений
|
3
|
2
|
3
|
|
Тип привода
|
Рычаг с роликом
|
Груз с противовесом
|
Рычаг пластичный W-образный
|
|
Фиксация
|
Самовозврат рычага
|
Фиксация на крайних положениях
|
Фиксация в каждом положении
|
|
Номинальное напряжение переменного тока
|
220В, 380В, 550В
|
220В, 380В, 550В
|
220В, 380В, 550В
|
|
Номинальное напряжение постоянного тока
|
110В, 220В, 440В
|
110В, 220В, 440В
|
110В, 220В, 440В
|
|
Ток продолжительного режима
|
10А
|
10А
|
10А
|
|
Максимальная скорость привода
|
150 м/мин
|
Не ограничена
|
100 м/мин
|
|
Степень защиты
|
IP54
|
IP54
|
IP54
|
|
Эксплуатационная частота включений
|
до 15 режимов в час
|
до 15 режимов в час
|
до 15 режимов в час
|
|
Износостойкость механическая
|
100000 В-О
|
100000 В-О
|
100000 В-О
|
|
Износостойкость электрическая
|
50000 В-О
|
50000 В-О
|
50000 В-О
|
|
Ввод внешних проводов
|
Через гермоввод (сальник)
|
Через гермоввод (сальник)
|
Через гермоввод (сальник)
|
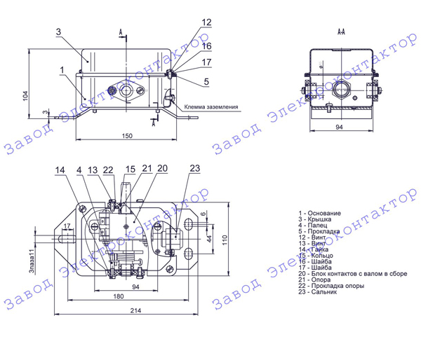
Устройство выключателя серии КУ:

Внешний вид, габаритные, установочные и присоединительные размеры выключателя КУ701:

Внешний вид, габаритные, установочные и присоединительные размеры выключателя КУ703:

Внешний вид, габаритные, установочные и присоединительные размеры выключателя КУ704:

Эксплуатацию выключателей серии КУ необходимо проводить в соответствии с «Правилами технической эксплуатации установок потребителей» и «Правилами техники безопасности при эксплуатации электроустановок потребителей».










