Крановый колодочный тормоз ТКГ-160 (ТКГ160) в сборе с толкателем ТЭ-30 предназначен для остановки и удержания валов редукторов и электродвигателей (преимущественно подъемно-транспортных машин) в заторможенном состоянии при неработающем приводе.
В тормозном механизме используется в качестве привода гидротолкатель ТЭ-30.
Тормозная колодка изготовлена из качественных материалов, имеет высокую износостойкость механического характера.
Маркировка и расшифровка ТКГ ГОСТО-160 У2:
ТКГ - тормоз колодочный гидравлический,
ГОСТО - торговая марка,
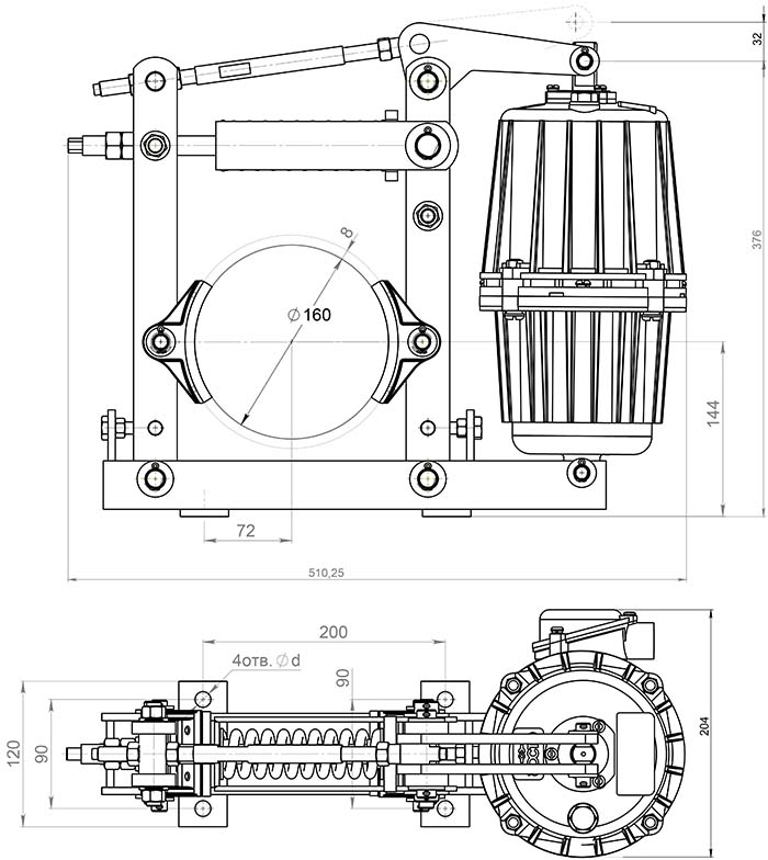
160 - диаметр тормозного шкива (мм),
У - тип климатического исполнения,
2 - категория размещения.
Технические характеристики ТКГ-160:
Наименование параметра |
Значение |
| Тормозной момент, Нм, не менее | 160 |
| Диаметр тормозного шкива, мм | 160 |
| Тип толкателя | ТЭ-30 |
| Номинальное напряжение, В | 380 |
| Частота, Гц | 50 |
| Среднее усилие на штоке толкателя, Н | 250 |
| Номинальная мощность двигателя, кВт | 0,25 |
| Ход штока толкателя, мм | 32 |
| Масса тормоза без привода, кг, не более | 13 |
Чертеж ТКГ-160:

Внимание:
Важно следить за состоянием и исправностью тормозных механизмов, поскольку от исправности тормоза зависит четкость, безопасность и безотказность работы крана. Надежность работы тормоза зависит от своевременного и правильного регулирования и обслуживания. В случае возникновения вопросов по регулировке тормоза, просьба запрашивать руководство по регулировке дополнительно!










