Максимальное токовое реле типа РЭО-401 предназначено для защиты от перегрузок и токов короткого замыкания электродвигателей постоянного тока и асинхронных электродвигателей с фазным ротором переменного тока при частоте сети 50 Гц.
Основные характеристики реле РЭО:
- предназначены для работы в условиях вибраций и ударных сотрясений с частотой до 25 Гц при ускорении не более 0,7 g;
- могут быть установлены как на металлической, так и на изоляционной плите или рейке;
- крепление необходимо производить на вертикальной плоскости с допустимым отклонением не более 5° в любую сторону.
Технические характеристики реле РЭО:
|
Наименование параметра
|
Значение
|
|---|---|
|
Номинальный ток втягивающей катушки
|
6А, 10А, 16А, 25А, 40А, 63А, 100А, 160А, 250А, 320А
|
|
Изоляция рассчитана на напряжение
|
до 500 В
|
|
Ток, отключаемый контактами реле
|
не должен превышать 6 А
|
|
Сечение медного провода (для присоединения к контактам реле)
|
до 1,5 мм2
|
|
Механическая износостойкость (при условии соблюдения правил эксплуатации)
|
10000 циклов
|
|
Номинальный ток, А
|
Пределы регулирования тока срабатывания электромагнита, А
|
Диаметр выводной шпильки d, мм
|
|
320
|
420 - 1280
|
М12
|
|
250
|
325 - 1000
|
М12
|
|
160
|
210 - 640
|
М10
|
|
100
|
130 - 400
|
М8
|
|
63
|
82 - 252
|
М8
|
|
40
|
52 - 160
|
М6
|
|
25
|
33 - 100
|
М6
|
|
16
|
21 - 64
|
М6
|
|
10
|
13 - 40
|
М6
|
|
6
|
8 - 24
|
М6
|
Устройство и принцип работы реле РЭО (габарит 1):
Реле РЭО-401 с гидравлическим торможением движения содержит обмотку управления (1), металлическую скобу (2), цилиндр с вязкой жидкостью (3), сердечник (4), контактную траверсу (5) и блок контактов (6).
При включении реле якорь втягивается внутрь катушки. Вязкая жидкость (масло) перетекает из одной части сосуда в другую, благодаря чему движение якоря реле замедляется. При подходе к верхнему положению - воздействует на контактную траверсу, размыкает контакты электрической блокировки и замыкает свободные нормально разомкнутые контакты.
Для сборки многополюсного реле РЭО401 в комплект поставки входит специальный кронштейн, обеспечивающий беспрепятственную установку реле на общей скобе.
Внешний вид, габаритные и установочные размеры реле РЭО-401 (габарит 1):
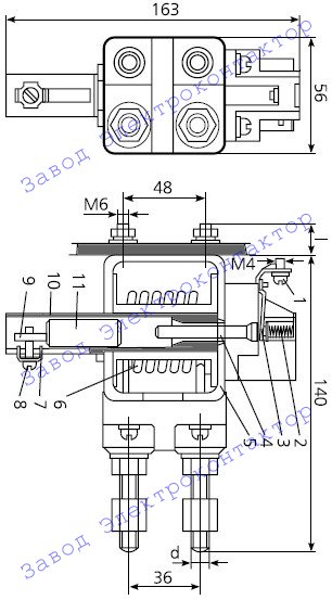
Реле РЭО ГОСТО-401 (габарит 2) состоит из нескольких электромагнитных систем реле и одного блок-контакта, собранных на общей скобе.
Устройство реле: винт (1), пружина (2), толкатель (4), скоба магнитопровода (5), втягивающая катушка (6), скоба (7), фиксирующий винт (8), трубка (10), якорь (11).
Внешний вид, габаритные и установочные размеры реле РЭО-ГОСТО-401 (габарит 2):












