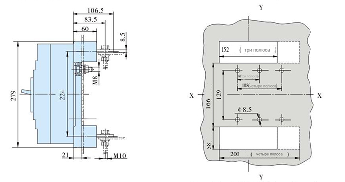
ВА55-41 400А втычное исполнение
ВА 55-41 400А втычного исполнения – это электротехнические коммутационные устройства, предназначение которых – это выполнение определенных задач, таких как: проведение тока (в штатных режимах сети), выключение тока (аврийный режим), включение коммутации.
Наличие у выключателей электронного расцепителя позволяет настраивать срабатывания по показателям:
- Замыкание;
- Перегрузка;
- Временной интервал;
Исполнение: втычное.
Технические характеристики
- Страна производитель – Россия;
- Производство – г. Челябинск, ООО Завод «Электроконтактор»;
- Тип товара – автоматический выключатель;
- Полюсов количество -3 полюса;
- Частота тока – 50/60Гц;
- Ток номинальный – 400А;
- Род тока – переменный;
- Раочее напряжение тока переменного – 690В;
- Предельная коммутационная способность тока еременного – 33,5кА;
- Наличие свободных контактов – отсутствуют;
- Расцепители – электронный;
- Привод – учной;
- Тип расцепителя – МРТ;
- Независимый расцепитель – отсутствует;
- Напряжение изоляции – 660В;
- Крепление – на винт;
- Присоединение внешних проводников – переднее;
- Наличие регулировки максимальных расцепителей тока – иеется;
- Категория размещения – УХЛ3;
- Рабочие температуры – от +55 до -50С;
- Защита по IP – 00;
- Применение по селективности – селективный;
- Наличие дополнительного расцепителя – отсутствует;
- Вспомогательные контакты сигнализации – отсутсвует;












