Модульный автоматический выключатель АД-12.
Дифференциальные автоматы реагируют на дифференциальный (остаточный) ток на землю и предназначены:
- для повышения уровня безопасности при эксплуатации людьми бытовых и аналогичных электроприборов;
- для автоматического отключения участка электрической сети (в том числе квартирной) при возникновении сверхтока (короткого замыкания или перегрузки);
- для предотвращения пожаров из-за возгорания изоляции токоведущих частей электроприборов от дифференциального тока на землю.
Благодаря высокому быстродействию, дифавтоматы обеспечивают эффективную защиту от статистического тока. При этом эффективно защищает электрооборудование от перегрузок и короткого замыкания.
АД-12 защищен от перенапряжения при длительных бросках напряжения свыше 265В.
Преимущества
- высокое быстродействие
- защита от перегрузок и короткого замыкания
- широкий диапазон рабочих температур от-25°до+50°С
- высокая износостойкость
- высокая помехоустойчивость
Габаритные размеры

* Размер для устройств с номинальными токами свыше 40А
Технические характеристики
| Наименование параметра | Значение |
| Соответствуют стандартам | ГОСТ Р 51327.1-99 |
| Номинальное напряжение частотой 50 Гц, В | 230/400 |
| Номинальный ток, А | 6; 10; 16; 20; 25; 32; 40; 50; 63 |
| Номинальный отключающий дифференциальный ток, мА | 10; 30; 100; 300 |
| Номинальный условный дифференциальный ток короткого замыкания, А | 4 500 |
| Характеристики срабатывания электромагнитного расцепителя | С (Возможна поставка дифференциальных автоматов с кривой отключения автомата типа «B») |
| Рабочая характеристика при наличии дифференциального тока | AС |
| Время отключения при номинальном дифференциальном токе, мс | ≤40 |
| Число полюсов | 2, 4 |
| Условия эксплуатации | УХЛ4 |
| Степень защиты выключателя | IP20 |
| Электрическая износостойкость, циклов В-О, не менее | 6 000 |
| Механическая износостойкость, циклов В-О, не менее | 20 000 |
| Максимальное сечение присоединяемых проводников, мм2 | Вход: 25 – для многожильного проводника, 35 – для одножильного Выход: 16/25 – для многожильного проводника, 25/35 – для одножильного |
| Наличие драгоценных металлов (серебро), г/полюс | 0,15÷0,22 |
| Масса (2/4) полюсные, кг | 0,25/0,45 |
| Диапазон рабочих температур,°С | от –25 до +40 |
| Момент затяжки, Н*м | 3 |
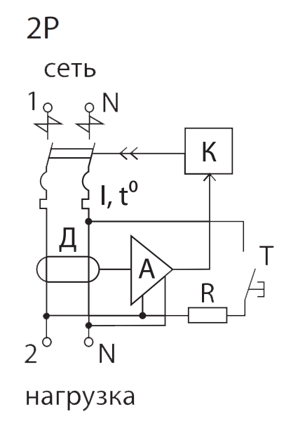
Схема подключения












