Тормоз ТКТ-100 (с МО-100)
Тормоза ТКТ-100 (с МО-100) производятся на Заводе «Электроконтактор». Отличаются своей конструкцией, которая проста и надежна в обслуживании и ремонте.
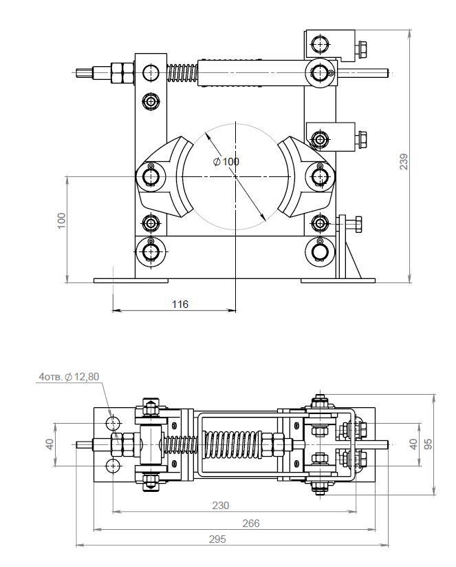
Электромагнит МО-100, который закреплен на специальном основании, служит приводом тормозного устройства.
Условное обозначение
- ТКТ – 100 У2
- ТК – колодочный тормоз;
- Т – приводс электромагнитом тока переменного серии МО;
- 100 – диаметр шкива тормозного, 100мм;
- У 2 – категория размещения;
Технические характеристики
- Страна производитель – Россия;
- Производство – г. Челябинск, ООО Завод «Электроконтактор»;
- Тормозной момент – рассчетный 20 Нм;
- Диаметр шкива – 100 мм;
- Тип электромагнита – Мо-100;
- Напряжение номинальное – 220/380В;
- Частота – 50Гц;
- Продолжительность включений – ПВ 40%;
- Защита по IP – 00;
Внимание:
Важно следить за состоянием и исправностью тормозных механизмов, поскольку от исправности тормоза зависит четкость, безопасность и безотказность работы крана. Надежность работы тормоза зависит от своевременного и правильного регулирования и обслуживания. В случае возникновения вопросов по регулировке тормоза, просьба запрашивать руководство по регулировке дополнительно!











