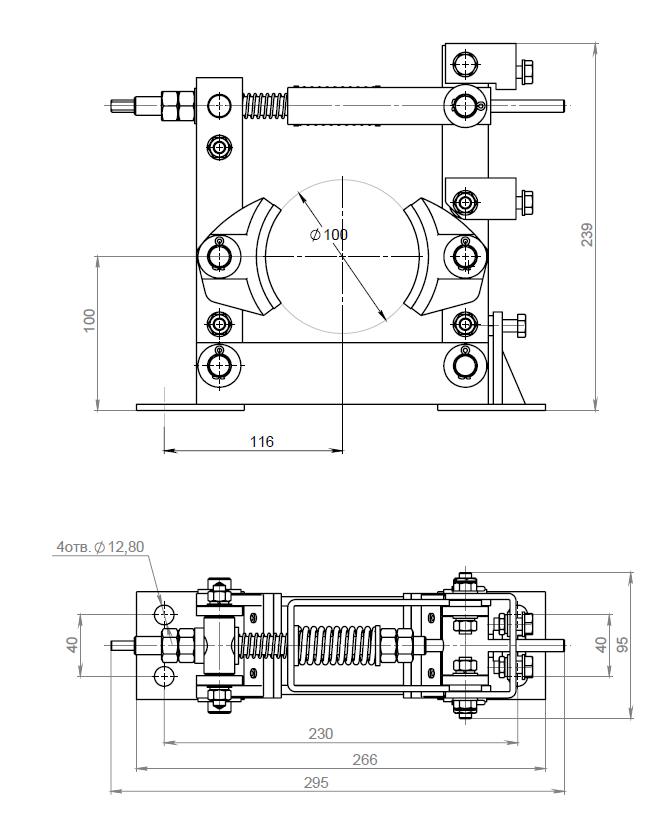
Рама ТКТ-100
Обеспечьте надежное и эффективное управление тормозами с нашим тормозом ТКТ-100 без магнитного отпуска (МО). Этот передовой тормоз предназначен для обеспечения точного и мгновенного управления в широком спектре промышленных приложений.
Рамы ТКТ-100 с электромагнитным приводом предназначаются для остановки/удержания валов механизмов в заторможенном состоянии при приводе, который не работает.
Устанавливаются на механизмах подъмно-транспортных машин, лебедок, конвейеров и других механизмах с горизонтальным расположением оси тормозного шкива.
Обеспечьте надежное и эффективное управление тормозами с нашим тормозом ТКТ-100 без магнитного отпуска (МО). Этот передовой тормоз предназначен для обеспечения точного и мгновенного управления в широком спектре промышленных приложений.
Особенности ТКТ-100 без МО:
- Надежность и Производительность: Тормоз ТКТ-100 разработан с использованием передовых технологий, обеспечивая стабильное и эффективное торможение в различных условиях эксплуатации.
- Без Магнитного Отпуска (МО): Отсутствие магнитного отпуска делает ТКТ-100 более простым в управлении, исключая необходимость в сложной настройке и обслуживании этой опции.
- Прочность и Долговечность: Высококачественные материалы и надежное проектирование гарантируют долгий срок службы тормоза, даже при интенсивном использовании.
- Простота Установки: Компактный дизайн и интуитивно понятные процессы установки делают ТКТ-100 удобным в использовании, сокращая время настройки и запуска.
- Широкий Спектр Применений: Тормоз ТКТ-100 подходит для различных промышленных приложений, предоставляя универсальное решение для вашего оборудования.
Выбирая ТКТ-100 без МО, вы вкладываетесь в надежность и эффективность вашей системы управления тормозами. Обеспечьте безопасность и точность в каждом торможении с нашим передовым тормозом уже сегодня.
Технические характеристики
- Страна производитель – Россия;
- Производство – г. Челябинск, ООО Завод «Электроконтактор»;
- Масса тормоза – не более 12 килограмм;
- Тип электромагнита – МО-100;
- Напряжение рабочее – 220/380В;
- Максимальный тормозной момент ПВ 40% - 20 (2);
- Максимальный тормозной момент ПВ 100% - 10 (1);











