
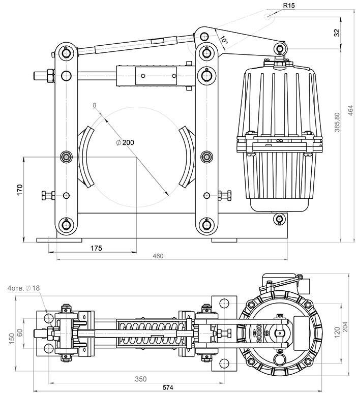
Тормоз ТКГ-200 с ТЭ-25 У2 по ТУ 3178-003-91328404-2011 представляет собой высокоэффективное и надежное устройство, предназначенное для остановки и фиксации различных механизмов в промышленных условиях. Этот тормоз обеспечивает отличные эксплуатационные характеристики, высокую надежность и соответствует современным стандартам безопасности.
Тормоз ТКГ-200 с ТЭ-25 У2 предназначен для обеспечения максимальной безопасности и надежности в работе различных промышленных механизмов. Он идеально подходит для использования в условиях, где требуется высокая степень защиты и стабильность работы.
Закажите тормоз ТКГ-200 с ТЭ-25 У2 уже сегодня и убедитесь в его высоком качестве, надежности и эффективности.

ВНИМАНИЕ: Уважаемые покупатели, будте бдительны! Участились случаи обращений по контрафактной продукции. Закупайте продукцию у официальных дилеров, либо на Заводе изготовителе.
Гарантийные обязательства распространяются только на оригинальную продукцию завода!!!
Изготовитель оставляет за собой право менять дизайн изделия, вносить изменения в его конструктив и технические характеристики согласно ТУ, применяемых на производстве. При заказе изделия Вы можете запросить в офисе продаж фото и технические параметры продукции. Технические характеристики, конструктив, габаритные размеры указываются в Паспорте изделия в соответствии с ТЕХНИЧЕСКИМИ УСЛОВИЯМИ завода-изготовителя. Все риски несоответствия приобретенной продукции надлежащего качества техническим потребностям Покупателя, ложатся на Покупателя.
На сайте представлена краткая справочная информация.
Дополнительную техническую информацию можно получить по запросу с Вашей заявкой.