

ВНИМАНИЕ: Уважаемые покупатели, будте бдительны! Участились случаи обращений по контрафактной продукции. Закупайте продукцию у официальных дилеров, либо на Заводе изготовителе.
Гарантийные обязательства распространяются только на оригинальную продукцию завода!!!
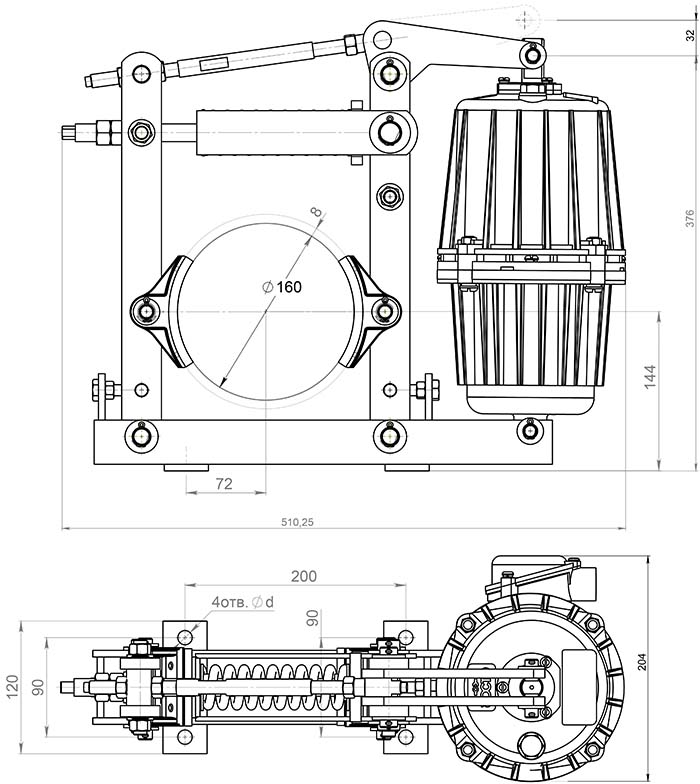
Изготовитель оставляет за собой право менять дизайн изделия, вносить изменения в его конструктив и технические характеристики согласно ТУ, применяемых на производстве. При заказе изделия Вы можете запросить в офисе продаж фото и технические параметры продукции. Технические характеристики, конструктив, габаритные размеры указываются в Паспорте изделия в соответствии с ТЕХНИЧЕСКИМИ УСЛОВИЯМИ завода-изготовителя. Все риски несоответствия приобретенной продукции надлежащего качества техническим потребностям Покупателя, ложатся на Покупателя.
На сайте представлена краткая справочная информация.
Дополнительную техническую информацию можно получить по запросу с Вашей заявкой.