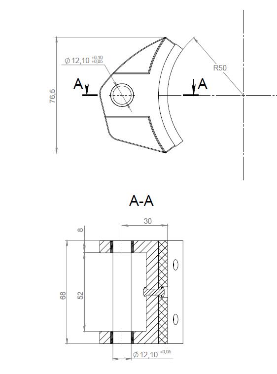
Колодки к раме ТКГ-100 являются одними из важных элементов в правильной работе всего механизма. Колодки создают тормозной момент и определенное тормозное ускорение. Накладки тормозные крепятся к тормозной колодке заклепками из алюминия или меди.
Колодка удерживает и устанавливает валы механизмов в заторможенном положении в ТКГ-100 в случаях нефункционирующего привода.
Колодка из-за своей конструкции часто выходит из строя тормозным механизмом.
Колодки меняются попарно.












