Рубильники ВР32 37A30220 400А – это самые широко применяемые рубильники в сетях низкого напряжения. Предназначаются для включения/пропуска/отключения тока переменного напряжением номинальным до 660В частоты 50/60Гц и тока постоянного напряжением до 440В в распределительных устройствах.
Рубильники данной серии имеют повышенной степени жесткости конструкцию корпуса. Корпус изготовлен из термоустойчивой, современной пластмассы с высочайшими показателями пожаростойкости.
Преимущества
- Удобство эксплуатации и монтажа;
 - Можно присоединять как алюминиевые, так и медные токопроводящие жилы;
 - Низкие потери мощности;
 - Разрыв цепи двойной видимый;
 
Применение
- В главных распределительных щитах;
 - В распределительных панелях ЩО-7;
 - В шкафах ШРС;
 - В вводно-распределительных устройствах ВРУ;
 

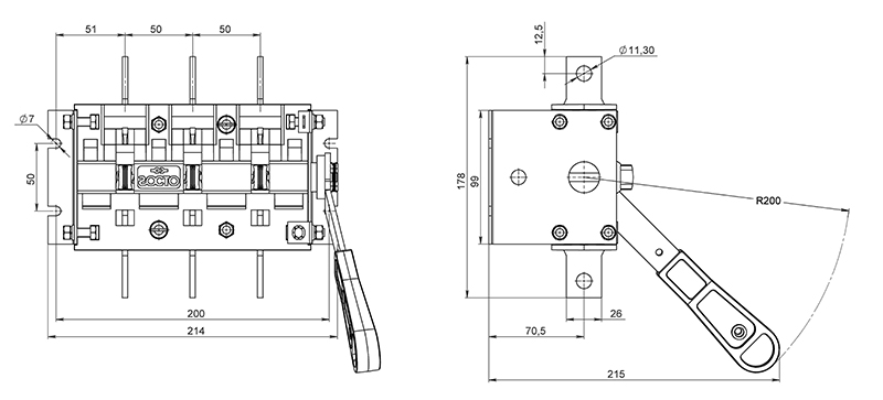
Технические характеристики Рубильник ВР32 37A30220 400А
- Страна производитель – Россия;
 - Производство – г. Челябинск, ООО Завод «Электроконтактор»;
 - Ток номинальный – 400А;
 - Полюсов количество – 3 полюса;
 - Условный ток КЗ – 14кА;
 - Защита по IP – 00;
 - Наличие блокировки – отсутствует;
 - Подключение электроцепи – соединение болтовое;
 - Максимальное допустимое рабочее напряжение – 690В;
 - Моторный привод – отсутствует;
 - Расцепитель напряжения – отсутствует;
 - Кратковременно выдерживаемый номинальный ток – 8кА;
 - Рабочее напряжение тока переменного – 660В;
 - Рабочее напряжение тока постоянного – 440В;
 - Расположение рукоятки привода – правое;
 - Рабочие температуры – от +40 до -60С;
 - Категория размещения – УХЛ3;
 - Износостойкость механическая – 16000 циклов;
 - Элемент управления – перекидной рычаг;
 - Вид рукоятки – боковая;
 - Исполнение рукоятки – несъемная;
 - Вес - 2,6кг;
 







          



