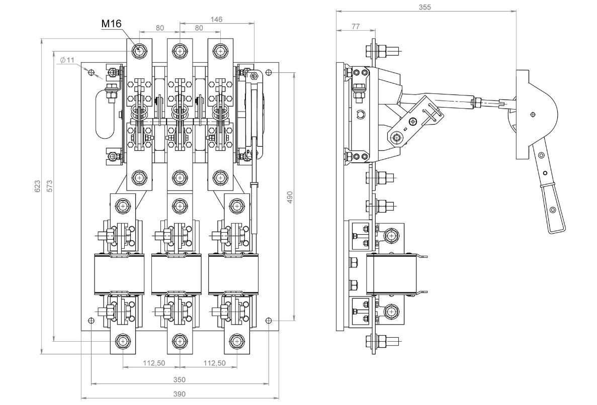
Разъединитель РПС-10 1000А УЗ
Рубильники РПС-10 1000А УЗ являются рубильниками с предохранителями на стальной общей плите исполнения открытого, с ручным смещенным приводом для присоединения проводников спереди, предназначаются для неавтоматических нечастых коммутаций электроцепей тока переменного.
В данных рубильниках применяются предохранители ПНН-41.
Отключение и включение рубильников осуществляется вручную.
Технические характеристики
• Производство – ООО Завод Электроконтактор;
• Тип товара – предохранитель-разъединитель;
• Ток номинальный – 1000А;
• Полюсов – силовых 3;
• Ток – переменный;
• Частота – 50/60Гц;
• Рабочее напряжение – 660В;
• Ток условный короткого замыкания – 50кА;
• Тепловой ток – на открытом воздухе 1000А;
• Крепление – монтаж на винты;
• Внешние проводники – присоединение переднее;
• Рукоятка – расположение правое;
• Защита п IP – 00;
• Категория размещения УЗ;
• Рабочие температуры – от +40 до -60С;
• Доп.оборудование – отсутствует;
• Элемент управления – перекидной рычаг;
• Рукоятка исполнение – несъемная;
• Рукоятка вид – смещенная передняя;











