Электромагнитные пускатели ПМЛ 5210 предназначаются для запуска, остановки асинхронных электромоторов. Эксплуатируются в станках, конвейерах, насосах, компрессорах, эскалаторах, системах управления вентиляцией и не только.
При наличии защитного реле, то пускатели могут обеспечить полную защиту управляемых электромоторов от скачков энергии и перегрузок.
ХАРАКТЕРИСТИКИ ПУСКАТЕЛЯ ПМЛ 5210
• Ток номинальный – 95А;
• Наличие защитного реле – с реле;
• Серия пускателя – ПМЛ;
• Исполнение – нереверсивный;
• Защита – IP20;
• Катушка управления, напряжение – 400В;
ПРЕИМУЩЕСТВА ПУСКАТЕЛЯ ПМЛ 5210
• Очень компактен и занимает мало места;
• Профилактика и ремонт более удобны, так как не приходится отсоединять проводники;
• Имеется возможность выпуска реверсивных пускателей;
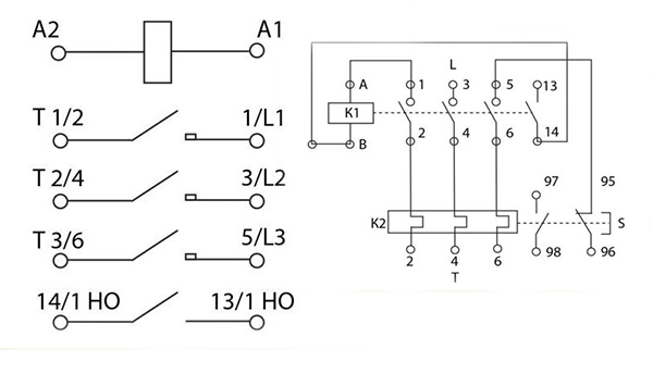
Электрические схемы подключения нереверсивных пускателей ПМЛ без теплового реле и с тепловым реле и кнопкой:











