Пускатель ПМЛ-5100
Электромагнитные пускатели ПМЛ 5100 применяются для запуска/остановки/реверса асинхронных электромоторов.
Нашли свое применение в лифтах, конвейерах, насосах, станках, тепловых пушках, системах управления кондиционированием и не только. При наличии защитного реле, то пускатели имеют возможность производить полноценную защиту управляемой электротехники от перегрузок и скачков энергии.
ПМЛ 5100 – это
- Очень большая коммутируемая способность;
- Соответствует всем зарубежным и отечественным стандартам;
- Имеет колоссальную прочность;
- Подключение проводников очень удобное;
Пускатели ПМЛ 5100 – исполнительные механизмы, пакеты быстродействующих переключателей. Классифицируются как пускатели 5 величины. Это значит, что все детали устройства рассчитаны на то, чтобы выдержать максимальную нагрузку до 125А.
ХАРАКТЕРИСТИКИ ПУСКАТЕЛЯ ПМЛ – 5100
• Ток допустимый – 125А;
• Защита степени – IP00;
• Крепление – на винты;
• Напряжение рабочее – 220В;
• Категория размещения – УХЛ4;
• Дополнительные контакты – 1з;
• Износостойкость – 0,8 млн циклов;
• Потребитель, мощность – 80кВт;
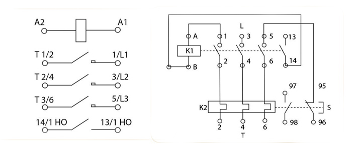
Электрические схемы подключения нереверсивных пускателей ПМЛ без теплового реле и с тепловым реле и кнопкой












