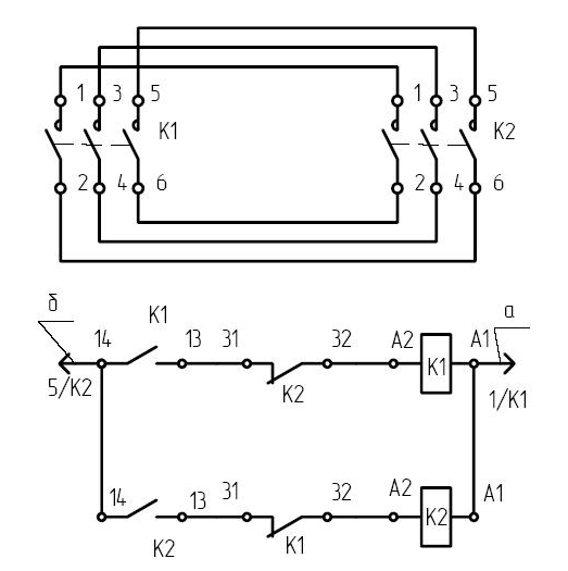
Электромагнитные пускатели ПМЛ 4510 предназначаются в стац. установках для удаленного запуска, остановки, а так же реверсирования 3фазных электромоторов.
ПМЛ 4510 – это реверсивные пускатели без оболочки и защитного реле. Степень защиты устройства – IP54.
ОБОЗНАЧЕНИЕ
ПМЛ Х1 Х2 Х3 Х4 Х5
Х1 – номинальный ток;
Х2 – наличие защитного реле и исполнение по назначению;
Х3 – наличие кнопок и защита пускателя;
Х4 – исполнение по количеству дополнит. контактов;
Х5 – износостойкость коммутационная;

ХАРАКТЕРИСТИКИ
• Ток номинальный – 63А;
• Защита – IP54;
• Наличие кнопок – нет;
• Серия – ПМЛ;
• Напряжение катушки – 220В;
• Реверсивный – да;
• Защитное реле – нет;
• Напряжение по изоляции – 660В;
Пускатели производства Завода Электроконтактор выгодно отличаются своим качеством и ценой. Но необходимо соблюдение некоторых условий в эксплуатации, чтобы пускатели работали дольше и не требовали ремонта:
• Высота над морем – не выше 2000 метров;
• Влажность воздуха при t+35 – 100%;
• t не выше +50 и не ниже -40С;










