Электромагнитный пускатель 4500 прежде всего предназначен для пуска/остановки асинхронных электромоторов.
Эксплуатируются данные пускатели в станках, конвейерах, насосах, компрессорах, тепловых пушках, для коммутации осветительных сетей, в системах управления отоплением и вентиляцией, и не только.
Если пускатель оснащен защитным реле, то управляемые электромеханизмы находятся под защитой от скачков напряжения и от разного вида перегрузок.
Пускатель ПМЛ 4500 условно квалифицируется и причисляется к четвертой величине. Это значит, что все детали пускателя рассчитаны на то, чтобы выдерживать нагрузку до 63А.
ХАРАКТЕРИСТИКИ ПМЛ 4500
• Малогабаритный;
• Обладает сверхбольшой коммутируемой способностью;
• Очень долговечный;
• Защищенные клеммы от случайных прикосновений;
• Напряжение номинальное 690В;
• Ток номинальный 65А;
• Защита IP00;
• Серия пускателя ПМЛ;
• Напряжение катушки 230В;
• Реверсивный;
• Без защитного реле;
• Допконтакты – 1но+1нз;
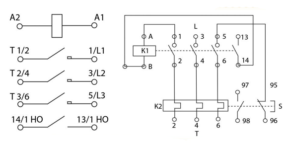
Электрические схемы подключения нереверсивных пускателей ПМЛ без теплового реле и с тепловым реле и кнопкой











