Электромагнитные пускатели ПМЛ 4210 необходимы для запуска/остановки асинхронных электромоторов. Эксплуатируются пускатели в конвейерах, компрессорах, лифтах, тепловых пушках, системах управления вентиляцией и отоплением, в станках, насосах и так далее.
Наличие у пускателя защитного реле позволяет производить полноценную защиту управляемых электромеханизмов от скачков энергии и от различного вида перегрузках.
ПРЕИМУЩЕСТВА ПУКСКАТЕЛЕЙ ПМЛ 4210
• Компактный размер;
• Возможность производить ремонт или профилактические работы, не отсоединяя проводников;
• Возможность обеспечения защиты от перегрузок и скачков энергии ( при наличии защитного реле);
• Возможность выпуска пускателей в реверсивном исполнении;
ХАРАКТЕРИСТИКИ
• Номинальное напряжение – 690В;
• Серия – ПМЛ;
• Ток номинальный – 65А;
• Защитное реле – есть;
• Монтаж – на монтажную плату;
• Защита – IP54 (без кнопок);
• Допконтакты – 1но+1нз;
• Катушка управления, напряжение – 230В;
• Количество полюсов – 3;
• Исполнение – нереверсивный;
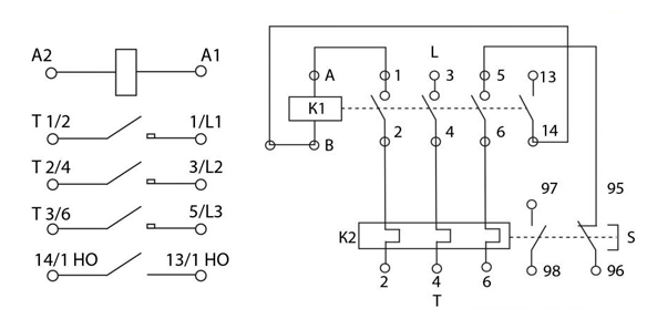
Электрические схемы подключения нереверсивных пускателей ПМЛ без теплового реле и с тепловым реле и кнопкой











