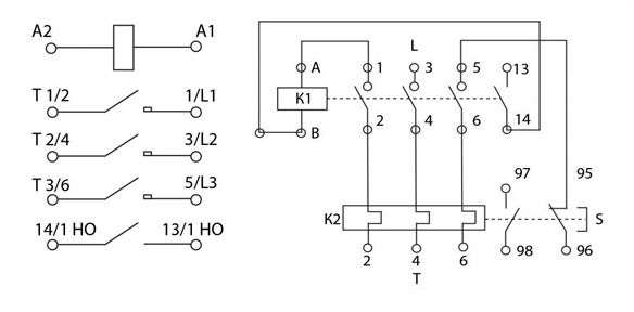
Электромагнитный пускатель ПМЛ 4110 предназначается для запуска/остановки асинхронных электромоторов. Эксплуатируется в станках, насосах, эскалаторах, системах управления отоплением и кондиционированием, конвейерах, компрессорах и так далее.
При модификации пускателя защитным реле, то появляется возможность производить защиту управляемого электрооборудования от скачков напряжения и от различных перегрузок.
ХАРАКТЕРИСТИКИ ПМЛ 4110
• Напряжение номинальное – 690В;
• Катушка управления, напряжение – 400В;
• Количество полюсов силовых – 3;
• Дополнительные контакты – 1но+1нз;
• Монтаж – монтажная плата;
ПРИЕМУЩЕСТВА ПМЛ 4110
• Конструкция очень компактная;
• Возможность производить ремонт и профработы без отсоединения проводников;
• Защита от скачков напряжения – наличие защитного реле;
Электрические схемы подключения нереверсивных пускателей ПМЛ без теплового реле и с тепловым реле и кнопкой











