Электромагнитный пускатель ПМЛ 3500 предназначен для запуска, остановки асинхронных электромоторов.
Широко применяется в станках, конвейерах, эскалаторах, компрессорах, лифтах, тепловых пушках, насосах, в системах управления вентиляцией и отопления и не только.
ПРИНЦИП ДЕЙСТВИЯ
Во время подачи на катушку напряжения, она сразу втянет сердечник, замыкая группу вспомогательных и основных контактов. Контакты размыкаются когда напряжение достигнет порогового уровня.
ПРЕИМУЩЕСТВА ПУСКАТЕЛЕЙ ПМЛ 3500
• Компактный;
• Удобно проводить ремонт и профилактику, не отсоединяя проводники;
• Имеется возможность для изготовления реверсивного исполнения пускателя;
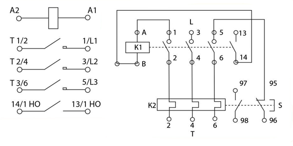
Электрические схемы подключения с защитным реле и без него:

ХАРАКТЕРИСТИКИ
• Напряжение номинальное – 690В;
• Защита степени – IP00;
• Ток номинальный – 40А;
• Серия – ПМЛ;
• Реверс – имеется;
• Защитное реле – не имеется;
• Катушка управления, напряжение – 230В;
• Монтаж – монтажная плата, Дин рейка;










