Электромагнитные пускатели ПМЛ 3110 предназначаются для пуска и остановки, а так же реверсирования асинхронных электромоторов.
Пускатели нашли применение в конвейерах, компрессорах, станках, лифтах, насосах, системах управления вентиляцией и отоплением и так далее. Наличие защитного реле у пускателей позволяет производить комплексную защиту управляемых электромеханизмов от перегрузок и от токов, которые возникают при обрыве фазы.
ТЕХНИЧЕСКИЕ ХАРАКТЕРИСТИКИ
• Напряжение номинальное – 690В;
• Серия – ПМЛ;
• Силовые полюса – 3 полюса;
• Монтаж – плата монтажная;
• Ток номинальный – 40А;
• Исполнение – нереверсивный;
• Защита пускателя – IP54, нет кнопок;
• Защитное реле – не имеется;
• Катушка управления, напряжение – 36В;
• Контакты дополнительные – 1НО+1НЗ;
• Производство – Россия, Челябинск, Завод Электроконтактор;
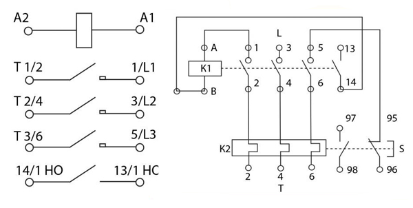
Электрические схемы подключения нереверсивных пускателей ПМЛ без теплового реле и с тепловым реле и кнопкой:

Преимущества:
- Компактная конструкция, занимающая мало места, но обеспечивающая управление большими мощностями.
- Удобство для проведения профилактики и ремонта без отсоединения проводников.
Широкая номенклатура катушек управления на разные напряжения;
- Наличие дополнительных аксессуаров для расширения функциональных возможностей контакторов в эксплуатации.
- Возможность создания реверсивного исполнения.
- Возможность обеспечения защиты от перегрузки управляемого объекта с помощью электротеплового реле (пускатель магнитный), в том числе, в отдельной герметичной оболочке.
- Поставка в индивидуальной и групповой упаковке.










