Электромагнитные пускатели ПМЛ 1500 12А предназначаются для запуска/остановки/реверсирования асинхронных электродвигателей. Нашли применение в конвейерах, компрессорах, лифтах, системах управления отоплением, системах автоматического ввода резервов и не только.
Пускатели данного типа производятся на Заводе Электроконтактор. Пускатели не случайно завоевали уважение покупателей из-за своей сборки.
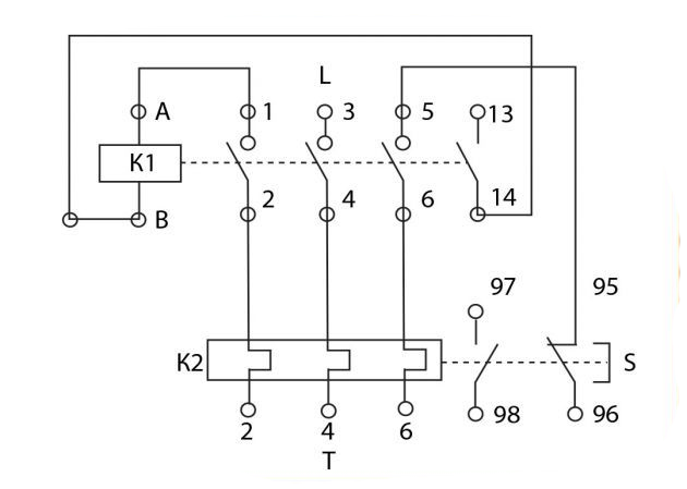
ПРИНЦИП РАБОТЫ ПУСКАТЕЛЯ ПМЛ 1500 12А
При подаче на катушку напряжения (номинального), она начинает втягивать сердечник, тем самым замыкая группу основных и вспомогательных контактов. Как только напряжение достигнет порога на опускание, контакты сразу размыкаются.
ТЕХНИЧЕСКИЕ ХАРАКТЕРИСТИКИ
• Напряжение номинальное – 690В;
• Ток номинальный -12А;
• Защита – IP00;
• Серия пускателя – ПМЛ;
• Напряжение катушки – 400В;
• Наличие защитного реле – не имеется;
• Исполнение контактора – реверсивный;
• Количество полюсов – 3;
Электрические схемы подключения нереверсивных пускателей ПМЛ без теплового реле и с тепловым реле и кнопкой соответственно:

ПРЕИМУЩЕСТВА
• Компактная конструкция;
• Во время ремонта нет необходимости отсоединять проводники;
• Есть вариант изготовления в реверсивном исполнении;










