Пускатель ПМ12-160200
Пускатели ПМ12-160200 при необходимости защиты электродвигателей от перегрузок, от токов, возникших при обрыве фазы, могут быть оборудованы защитными реле.
При необходимости ограничения коммутационных перенапряжений, на устройства устанавливаются ОПН (ограничители перенапряжения).
Пускатели ПМ1212-160200 предназначаются для работы в установках стационарных для пуска, остановки, реверсирования на расстоянии асинхронных электромоторов.
Условное обозначение
ПМ12 – XXX X X X X X X
ПМ12 – серия;
XXX – ток номинальный;
X – исполнение по назначению;
X – исполнение по защите IP и наличию кнопок управления;
X – количество и исполнение контактов вспом. цепи;
X – климатическое исполнение;
X – категория размещения;
X – исполнение по износостойкости;
Технические характеристики
- Страна производитель – Россия;
- Производство – г. Челябинск, ООО Завод «Электроконтактор»;
- Напряжение номинальное – 660В;
- Защита по IP – 00;
- Ток номинальный – 160А;
- Износостойкость – класс И;
- Установка доп.контактов – есть возможность;
- Наличие/отсутствие защитного реле – без реле;
- Категория размещения – УХЛ4;
- Серия – ПМ12;
- Исполнение – нереверсивный;
- Количество полюсов – 3 полюса;
- Катушка управления напряжением – 380В;
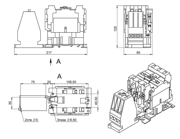
Габаритные размеры

Завод Электроконтактор предупреждает, что данный промышленный образец защищен патентом RU 97847.











