ОЩВ-6 предназначены для нечастых оперативных включений и отключений электрических цепей – не более 6 раз в час. Щитки серии ОЩВ имеют вводной выключатель.
Щитки устанавливаются стационарно в помещениях с нормальной средой в зданиях промышленного и административно-бытового назначения, защищенное от попадания воды и других жидкостей, непосредственного воздействия радиации, резких толчков, ударов и сильной тряски.
Ящики типа ОЩВ устанавливаются на стене,. Щитки осветительные могут устанавливаться в местах доступных при эксплуатации неквалифицированному персоналу для выполнения коммутационных операций.
Условия эксплуатации
• высота над уровнем моря не более 2000 м (при эксплуатации устройства свыше 1000м необходимо учитывать снижение электрической прочности изоляции и снижение охлаждающего действия воздуха);
• климатическое исполнение и категория размещения щитков У3, УХЛ3, УХЛ4 по ГОСТ15150 и ГОСТ15543.1;
• температура окружающего воздуха от плюс 1°С до плюс 35°С для УХЛ4;
• относительная влажность воздуха 80% при температуре плюс 25°С для УХЛ4;
• окружающая среда невзрывоопасная, не содержащая токопроводящей пыли, агрессивных паров и газов в концентрациях, разрушающих металлы и изоляцию;
• группа условий эксплуатации в части воздействия механических факторов внешней среды М2 по ГОСТ 17516.1;
• рабочее положение в пространстве вертикальное, допускается отклонение от вертикального положения до 5° в любую сторону.
• степень защиты – IP30, IP54 по ГОСТ 14254;
• низковольтные комплектные устройства изготавливаются в соответствии с требованиями ТУ3434-001-99475783-2012.
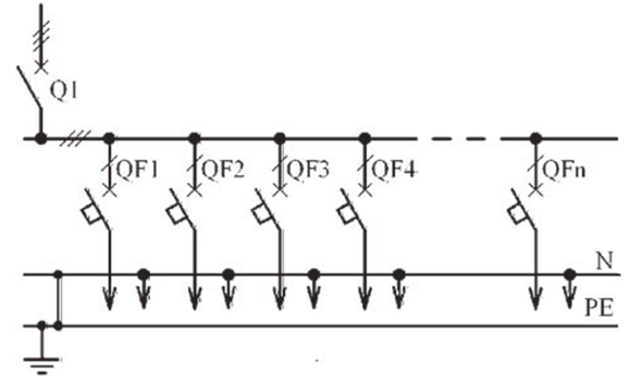
Принципиальная электрическая схема главных цепей щитков осветительных серии ОЩВ












