Ящики и щитки осветительные серий ОЩВ предназначены для приема и распределения электрической энергии, а также защиты осветительных сетей трехфазного переменного тока частотой 50Гц напряжением 380/220В с глухозаземленной нейтралью от токов перегрузки и короткого замыкания.
Структура условного обозначения
(У)ОЩ(В) -ХХ УХЛ4______________
Конструктивное исполнение:
УОЩВ – осветительный щиток с вводными выключателями, устанавливаемый в нише;
ОЩВ – осветительный щиток с вводными выключателями;
ОЩ – осветительный щиток с вводными зажимами.
ОП - осветительный щиток со встроенной групповой панелью, но без вводного автоматического выключателя
(У)ОЩ(В)-ХХ УХЛ4_______________
Количество фидерных автоматических выключателей: 3, 6, 9, 12.
(У)ОЩ(В)-ХХ УХЛ4_____________
Климатическое исполнение и категория размещения по ГОСТ15150 и ГОСТ15543.1
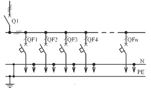
Принципиальная электрическая схема
главных цепей щитков осветительных серии ОЩВ












