Контактор КВТ-10-4-400
Трехполюсный высоковольтный вакуумный Контактор КВТ-10-4-400 производства Завод "Электроконтактор" отличается высокопрочным жестким изолированным корпусом и высоконадежным управляющим механизмом, что обуславливает высокую надежность изделия (в особенности в части безопасности и гарантии качества).
Предназначение аппарата:
для осуществления коммутационных операций приемников электроэнергии на предприятиях промышленного сектора в сетях и электрических установках на номинальное напряжение 10кВ трехфазного переменного тока частотой 50Гц.
Рабочим положением в пространстве является вертикальное контактора.
Маркировка и значения обозначений контактора КВТ-10-4/400 Х2 Х3:
КВТ - контактор вакуумный трехполюсный,
10 - номинальное напряжение (кВ),
4 - номинальный ток отключения (кА),
400 - номинальный ток 400 Ампер,
Х2 - климатическое исполнение и категория размещения,
Х3 - номинальное напряжение цепей питания привода (В).
Технические характеристики КВТ-10-4 400А:
Номинальное напряжение - 10 кВ
Номинальный ток - 400 А
Номинальная рабочая частота - 600 раз/час
Механическая долговечность - 750000 цикл.
Расстояние размыкания контактов - 5±0,5 мм
Номинальное напряжение цепей питания привода:
- переменного тока - 220В
- постоянного тока - 110, 220В
Диапазон напряжений цепей питания привода:
- при номинальном напряжении 220 В - 187–242
- при номинальном напряжении 110 В - 93–121
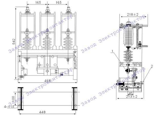
Внешний вид, габаритные и установочные размеры КВТ-10:

Особенности размещения:
Вакуумный контактор КВТ-10 подлежит установке (в вертикальном положении) в электротехнических установках, размещенных под навесом (что выражается в характеристике категории размещения - 2).
Безопасность конструкции контактора соответствует степени защиты IP 00.
Параметры окружающей среды: невзрывоопасная, с содержание коррозионно-активных реагентов по ГОСТ 15150–69 для атмосферы типа II.
Вакуумный контактор оснащен блоком для защиты от перенапряжения и перегорания катушек. Данное конструкторское решение запатентовано.











