Контактор КВ-1,14 4,0/400А
Контакторы КВ-1,14 предназначены для коммутации цепи питания асинхронных электродвигателей с короткозамкнутым ротором и других приёмников электрической энергии в системах дистанционного управления электроприводами:
в стационарных установках общего назначения;
в подвижном составе рельсового транспорта (тепловозах и электровозах);
в горнорудной промышленности для встройки в оболочки взрывозащищённого оборудования, трекингостойкое (специальное исполнение).
Область применения
Вакуумные контакторы применяются везде, где требуется частое переключение высоковольтных цепей: на электровозах, подъемных кранах, компрессорно-насосных установках, любых промышленных предприятиях, где есть мощные электродвигатели.
Средний ресурс вакуумного выключателя 1-3 млн. циклов включения/отключения. Вакуумные контакторы могут работать в сильнозагрязненной среде. Расположение контактов в вакуумной камере делает выключатель искро/взрывобезопасным. На контактные поверхности не может попасть пыль и прочие загрязнения. Такие качества позволяют использовать контакторы в угольных шахтах. Отличает вакуумные контакторы и малые габаритные размеры, по сравнению с воздушными контакторами.
Характерные описания контактора КВ-1,14 4,0/400А:
1. Номинальный ток составляет 250 А.
2. Номинальное напряжение — 1140 В.
3. Низкий уровень шума при работе.
4. Допустимый рабочий температурный режим от -45 до +55°C.
5. Отсутствие открытой электродуги.
6. Для специального исполнения температура может колебаться от -60 до +60°C.
Характеристики
| Производитель | ООО Завод Электроконтактор |
| Страна производитель | Россия |
| Номинальный ток | 250.0 А |
| Состояние | Новое |
| Гарантия | 12 месяцев |
| Температура | От -45 до +55°C |
| Номинальное напряжение | 1140 В |
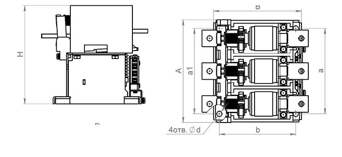
Габаритные размеры

| Тип контактора | Н, мм | А, мм | В, мм | а, мм | а1, мм | b, мм | d, мм |
|
КВ-1,14 4,0/400А |
210 | 216 | 184 | 180 | 180 | 160 | 11 |
Вакуумный контактор оснащен блоком для защиты от перенапряжения и перегорания катушек. Данное конструкторское решение запатентовано.











