Контактор КВ-1,14 2,5/250А
Вакуумный контактор - это электрический выключатель, контактные поверхности которого находятся в вакуумной камере.
Вакуумные контакторы, предназначены для частой коммутации высоковольтных цепей. При соединении/разъединении любых контактов находящихся под напряжением неизбежно возникает электрическая дуга. Дуговой разряд разрушает контактные поверхности, и выключатель быстро изнашивается. Часто это называется «выгоранием контактов». Чтобы обеспечить большое число циклов включения/отключения, необходимо использовать устройства гашения дуги.
Предложены различные методы для гашения дуги, например, дугогасильные решетки, газонаполненные камеры, однако наиболее эффективно применение вакуумной камеры. Именно такой способ используется в вакуумных контакторах. В вакууме окисление металлов, даже при очень высоких температурах, не происходит, а испарение металлов сильно замедляется, что и увеличивает срок службы контактов в вакуумной коммутационной аппаратуре.
Технические характеристики
| Наименование параметров | КВ-1,14-2,5/250 | 
| Номинальное напряжение, В | 660 | 
| Номинальный переменный ток главной цепи, А | 250 | 
| Предельная коммутационная способность:- ток отключения (действующее значение), кА- ток включения (амплитудное значение), кА | 3 5,6 | 
| Сквозные токи, А:- в течение 1 полуволны (амплитудное);- в течение 0,2 с (действующее);- в течение 10 с | 10000 6000 2000 | 
| Собственное время включения, мс, не более | 60 | 
| Собственное время отключения, мс, не более | 100 | 
| Электрическая прочность:- главной цепи, кВ;- каждого полюса;- цепи управления | 4 5 2,5 | 
| Номинальное переменное напряжение цепи управления приводом, В (+10 -15%) | 220(110; 380) | 
| Ток электромагнита:- при включении, А;- при удержании во включенном положении, А | 3 (6; 2,5) 0,06 (0,12; 0,004) | 
| Номинальный ток вспомогательных контактов, А | 10 | 
| Номинальное напряжение вспомогательных контактов, В:- постоянного тока;- переменного тока | 440 660 | 
| Механическая износостойкость, циклов ВО | 1600000 | 
| Коммутационная износостойкость, циклов ВО:- в режиме АС-3;- в режиме АС-4 | 1600000 500000 | 
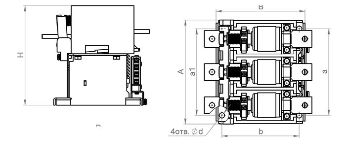
Габаритные размеры

| Тип контактора | Н, мм | А, мм | В, мм | а, мм | а1, мм | b, мм | d, мм | 
| КВ-1,14 2,5/250А | 200 | 184 | 184 | 160 | 160 | 160 | 11 | 
Вакуумный контактор оснащен блоком для защиты от перенапряжения и перегорания катушек. Данное конструкторское решение запатентовано.












