Контактор вакуумный КВ-1,14 1,6/160А
Оснащен встроенным электромагнитным приводом и предназначен для коммутации цепи питания асинхронных электродвигателей с короткозамкнутым ротором и других приемников электрической энергии в системах дистанционного управления электроприводами:
- в стационарных установках общего назначения;
- в подвижном составе рельсового транспорта (тепловозах, электровозах);
- в горнорудной промышленности для встройки в оболочки взрывозащищенного оборудовании;
Особенности контактора КВ 1,14
• Возможность эксплуатации при низких температурах – до -40С;
• В рабочем состоянии низкий шум;
• Нет электрической открытой дуги;
• Высокое быстродействие;
Технические характеристики
• Серия товара – КВ1,14;
• Страна производитель – Россия;
• Напряжение номинальное – 1140В;
• Производство – г. Челябинск, ООО Завод Электроконтактор;
• Ток номинальный – 160А;
• Катушка управления – напряжением 380В;
• Защита по IP – 00;
Вакуумный контактор оснащен блоком для защиты от перенапряжения и перегорания катушек. Данное конструкторское решение запатентовано.
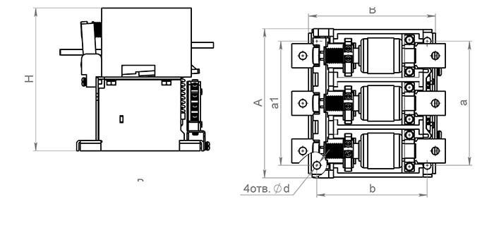
Схема

| Тип контактора | Н, мм | А, мм | В, мм | а, мм | а1, мм | b, мм | d, мм |
| КВ-1,14 1,6/160А | 125 | 160 | 105 | 105 | 140 | 98 | 9 |











