Контактор КТ-6013 380В 100А
Контактор КТ 6013 100А рассчитан на трехполюсную коммутацию. Простая конструкция контакторов дает возможность легко монтировать и обслуживать изделия.
Линейка контакторов серии КТ позволяют управлять двигателями до 250 кВт. Рассчитаны для двигателей АС режимов. К дополнительным преимуществам контактора также относится экономия затрат на зап. части . Быстроизнашеваемые части, такие как: контакты, катушка и т.д . имеют низкую стоимость.
Контактор КТ 6013 совместим с другим оборудованием для сборки различных пусковых схем.
Технические характеристики
| Наименование параметра | Величина |
| Род тока | переменный |
| Номинальное напряжение главных контактов | 380В 50Гц |
| Номинальный ток главных контактов | 160 А |
| Номинальное напряжение включ. катушек контакторов |
110В / 127В / 220В / 380В |
| Категория размещения | АС3, АС4 |
| Степень защиты | IP00 |
| Режим работы |
продолжительный, прерывисто продолжительный, повторно - кратковременный |
| Частота включения | до 600 вкл/час |
| Масса | 6,5 кг |
Контакторы рассчитаны для работы в следующих условиях:
- температура окружающей среды от −45 до +55 °C;
- относительная влажность воздуха до 75 % при температуре +15 °С;
- высота над уровнем моря — не более 2000 м;
- воздействие механических факторов окружающей среды по группам условий эксплуатации М2, М3 по ГОСТ 17516.1-90, при этом допускаются вибрационные нагрузки с частотой 0,5+100 Гц при ускорении до 1 g;
- окружающая среда не взрывоопасная, не содержащая значительного количества пыли, агрессивных газов и паров в концентрациях, разрушающих металлы и изоляцию.
Рабочее положение контактора — крепление на жесткой металлической панели внутри щитового оборудования винтами с гайками при обязательном использовании пружинных шайб для предотвращения их самоотвинчивания.
Положение в пространстве — на вертикальной плоскости. Допускается отклонение от вертикально-
го положения до 15 ° в любую сторону. Место установки должно быть защищено от прямого попадания воды, масла, эмульсий и т. п. Допускается эксплуатация контакторов в неотапливаемых помещениях.
Уровень шума, создаваемый контакторами, во включенном состоянии, при напряжении на катушке выше 85 % номинального, не должен превышать 70 дБ.
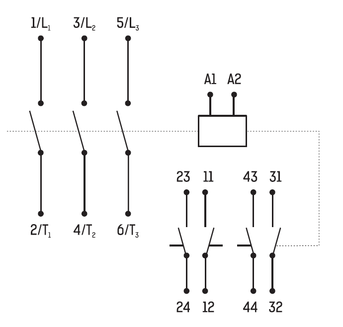
Контактора КТ схема преведена ниже
Внешний вид, габаритные, установочные и присоединительные размеры
ТО, сведения о наиболее частых неисправностях контакторов серии КТ, методы их устранения – предоставляются по запросу.













