Контактор КПД-111 (КПД111) предназначен для коммутации цепей постоянного тока (для контактора I величины – постоянного и переменного тока) кранового и тягового электрооборудования напряжением до 220В и переменного тока кранового оборудования напряжением до 440В с частотой 50 и 60Гц с питанием включающих катушек постоянным током напряжением до 440В.
Контакторы КПД рассчитаны для работы в продолжительном, прерывисто-продолжительном, кратковременном и повторно-кратковременном режимах работы.
Технические характеристики:
|
Наименование параметра
|
Значение
|
|
Род тока
|
постоянный
|
|
Число главных замыкающих контактов (полюсов)
|
1
|
|
Допустимая частота включений
|
до 1200 вкл./час
|
|
Номинальное напряжение главных контактов
|
220В
|
|
Номинальный ток главных контактов
|
25А , 63А, 80А
|
|
Номинальное напряжение включ. катушек контакторов
|
110В, 220В
|
|
Категория размещения
|
ДС3
|
|
Режим работы
|
ПВ 40%
|
|
Климатическое исполнение
|
У3, ХУ3
|
|
Степень защиты от воздействия окружающей среды и от соприкосновения с токоведущими частями
|
IР00
|
|
Масса (не более)
|
4,0кг
|
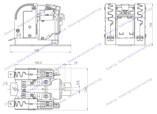
Внешний вид, габаритные и установочные размеры:












