Основные характеристики электромагнитного контактора типа КМ-400-Д-В:
- для цепей постоянного тока,
- влагостойкий,
- низковольтный,
- двухпозиционный,
- малогабаритный,
- производитель - Завод "Электроконтактор".
Принятая маркировка и расшифровка обозначений КМ-400-ДВ:
- КМ - серия - контактор малогабаритный,
- 400 - величина номинального тока 400А,
- Д - длительный режим работы,
- В - влагостойкий.
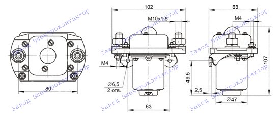
Чертежи и размеры:

Таблица технических характеристик:
|
Наименование параметра
|
Значение
|
|
Номинальный ток нагрузки в цепи контактов
|
400 А
|
|
Номинальное напряжение катушки
|
27 В
|
|
Диапазон изменения рабочего напряжения
|
24-30 В
|
|
Напряжение срабатывания:
- при включении - при выключении |
не более 18,9 В не более 8,1 В |
|
Номинальный ток катушки
|
0,4 А
|
|
Индуктивная нагрузка контактов
|
0,003 с
|
|
Номинальный ток в цепи вспомогательного вывода
|
не более 5 А
|
|
Сопротивление контактов
|
не более 30 мОм
|
|
Сопротивление изоляции
|
не менее 100 МОм
|
|
Механическая износостойкость
|
100 000 циклов
|
|
Коммутационная износостойкость
|
50 000 циклов
|
|
Диапазон рабочих температур
|
от -60оС до +50оС
|
|
Максимальная влажность воздуха
|
98% (при окр. t +40оС)
|
Устройство и схемы коммутации контактора серии КМ-400 ДВ

Примечание:
Обращаем Ваше внимание, что влагостойкое исполнение контактора позволяет эксплуатировать изделие в условиях с макс. влажностью окр. воздуха до 98% (при t +40оС).











